Product
Back
- ebmpapst
- ZIEHL-ABEGG
- DELTA
- SUNON
- Rosenberg
- SODECA
- FULLTECH
- Nicotra Gebhardt
- S&P
- Wistro
- San Ace
- SANMU
- ADDA
- NMB-MAT
- WEIGUANG
-
HVAC Controls & Components
-
Sanhua
4 Way Reversing Vavle Electronic Expansion Valve Driver Electronic Expansion Valve Electronic Shut-off Valve Ball Valve Electronic Expansion Valve Controller Refrigerated Cabinet Controller Pressure Transducer Solenoid Valve Thermostatic Expansion Valve Pressure Control Check Valve Sight Glass Pressure Regulator Liquid Injector Brass Service Valve Charge Valve Filter Drier Drain Pump Accumulator Liquid Receiver Oil Separator
-
Fengshen
Pressure Control Differential Pressure Control Temperature Control Flow Switch Pressure Controlled Water Valve Evaporation Pressure Regulating Valve Temperature Controlled Water Valve Solenoid Valve Thermostatic Expansion Valve Temperature Responsive Expansion Valve Constant Pressure Expansion Valve (Hot Gas Bypass) Pilot and Main Valve Forerunner Pressure Regulating Valve Sight Glass
- Magic
- Sonyo
- CAREL
- Tecumseh
- Danfoss
- Emerson
-
Sanhua
- HVAC Terminal Units
- Multifan
- Accessories
MF50151VX-B00U-A99
Brand:
SUNON
Category:
Centrifugal Fan
Description:
Type: Centrifugal Fan
Application: 5G devices, IOT,medical appliances,e-sports,automotive industry, refrigeration equipment, monitoring services,portable products, green building ventilation
Application: 5G devices, IOT,medical appliances,e-sports,automotive industry, refrigeration equipment, monitoring services,portable products, green building ventilation
Nominal data
Brand:
SUNON
Part No.:
MF50151VX-B00U-A99
Fan Type:
Centrifugal Fan
Rated Voltage(V):
12
Size(mm):
Max.Air Flow(m³/h):
9
Max.Pressure(Pa):
Input Power(W):
2.04
Speed(rpm):
6000
Noise(db):
42.2
Description
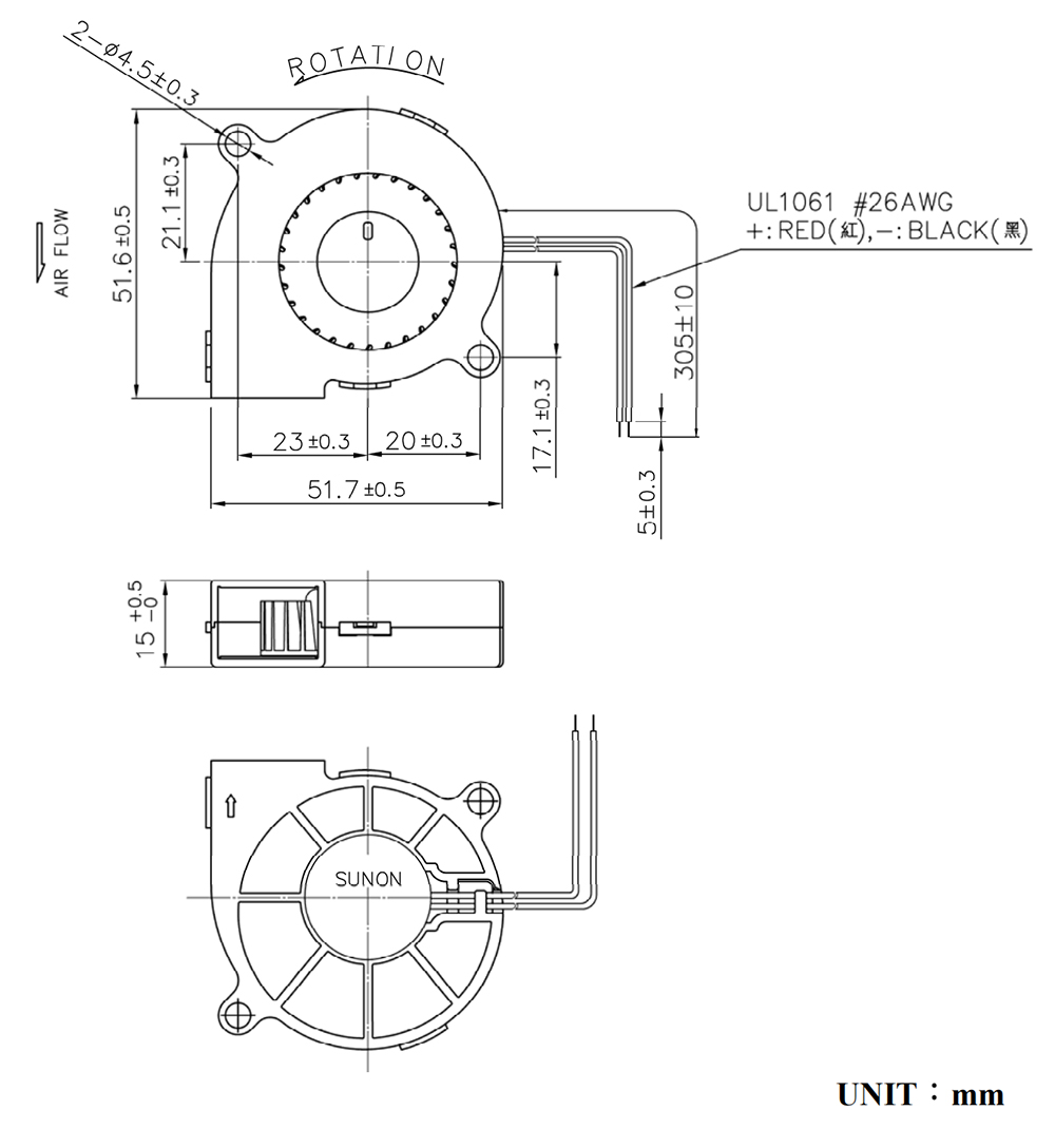
MF50151VX-B00U-A99 SUNON Specification drawing:

































































English
Français
Deutsch
Português
Español
русский
한국어
العربية
Italiano
Indonesia
Schweiz
Polski
Nederlands
ישראל - עברית
Perzisch
ไทย
日本語
ኢትዮ-አማርኛ
Việt Nam
Kiswahili
Srpski
Ελληνικά
繁體中文








