產品分類
W2D250-GA04-09 ebmpapst 轴流风扇
规格
品牌:
ebmpapst
型號:
W2D250-GA04-09
類型:
轴流风机
額定電壓(V):
400
尺寸(mm):
250
風量MAX(m³/h):
風壓MAX(Pa):
385
输入功率(W):
0
額定轉速(rpm):
噪音(db):
描述版块
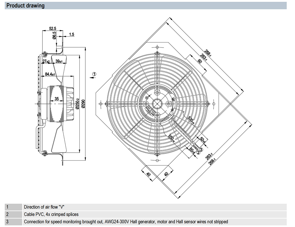
W2D250-GA04-09 ebmpapst 规格图:











English
Français
Deutsch
Português
Español
русский
한국어
العربية
Italiano
Indonesia
Schweiz
Polski
Nederlands
ישראל - עברית
Perzisch
ไทย
日本語
ኢትዮ-አማርኛ
Việt Nam
Kiswahili
Srpski
Ελληνικά
繁體中文



